
| 圆柱滚子轴承, 剖分式单列 | |||||||||||
| 公差, 参见文字 | |||||||||||
| 径向内部间隙, 参见文字 | |||||||||||
|
|
|||||||||||
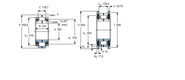
| 主要数据尺寸 | 基本负荷额定值 | 疲劳负荷限值 | 径向内部游隙 | 体积 | 型号 | ||||||
| 动态 | 静态 | ||||||||||
| d | D | B | C | C | C0 | Pu | 最小 | 最大 | |||
|
|
|||||||||||
| mm | kN | kN | mm | kg | - | ||||||
|
|
|||||||||||
| 300 | 558,8 | 220 | 139,7 | 2330 | 3250 | 280 | 0,13 | 0,205 | 305 | 316733 DB | |
我公司特价供应以下型号产品: IRT2515-1 滚针轴承内圈 7206CDF 角接触球轴承 C31/600KMB+AOHX31/600 CARB圆环滚子轴承 NU211EG 圆柱滚子轴承 3216B.2ZR.TVH 角接触球轴承 KT232913 滚针保持架组件 6200 深沟球轴承 52326 推力球轴承 GE25-DO 关节轴承