
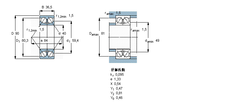
| 角接触球轴承, 双列, 无密封件, 两部份内圈 | ||||||||||
| 公差 , 参见文字 | ||||||||||
| 轴向内部间隙, a), b), 参见文字 | ||||||||||
| 推荐配合 | ||||||||||
| 轴和轴承座公差 | ||||||||||
|
|
||||||||||
| 主要数据尺寸 | 基本负荷额定值 | 疲劳负荷限值 | 额定速度 | 体积 | 型号 | |||||
| 动态 | 静态 | 参照速度 | 限制速度 | |||||||
| d | D | B | C | C0 | Pu | |||||
|
|
||||||||||
| mm | kN | kN | r/min | kg | - | |||||
|
|
||||||||||
| 40 | 90 | 36,5 | 68,9 | 64 | 2,45 | 6700 | 7000 | 1,05 | 3308 DTN9 | |
我公司特价供应以下型号产品: 100FC67450A-3 四列圆柱滚子轴承 7915A5DF 角接触球轴承 7212CDT 角接触球轴承 7324 角接触球轴承 812/530 推力滚子轴承 QJ309 角接触球轴承 EE231462/232000-B 带法兰单列 53313+U313 推力深沟球轴承 NJ317ET+HJ317E 圆柱滚子轴承