
| 推力球轴承, 单向 | |||||||||||
| 公差 , 参见文字 | |||||||||||
| 推荐配合 | |||||||||||
| 轴和轴承座公差 | |||||||||||
|
|
|||||||||||
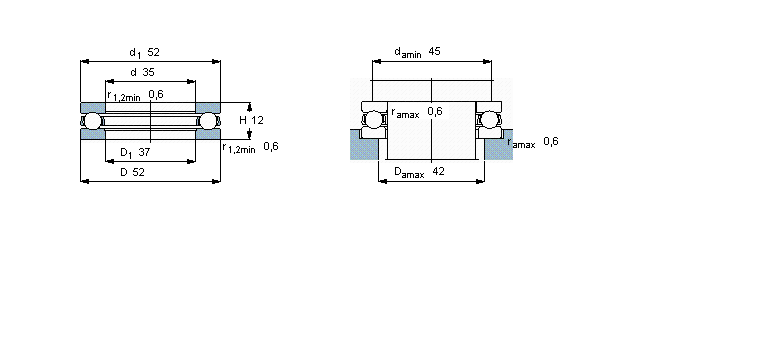
| 主要数据尺寸 | 基本负荷额定值 | 疲劳负荷限值 | 最小负荷系数 | 额定速度 | 体积 | 型号 | |||||
| 动态 | 静态 | 参照速度 | 限制速度 | ||||||||
| d | D | H | C | C0 | Pu | A | |||||
|
|
|||||||||||
| mm | kN | kN | - | r/min | kg | - | |||||
|
|
|||||||||||
| 35 | 52 | 12 | 19,9 | 51 | 1,86 | 0,013 | 5600 | 7500 | 0,080 | 51107 | |
我公司特价供应以下型号产品: 7200ADT 角接触球轴承 767D/753 双内圈圆锥滚子轴承 54208+U208 推力球轴承 TA1815Z 冲压滚针轴承 2205 调心球轴承 7303CDB 角接触球轴承 22206-E1-K+H306 调心滚子轴承 6206 深沟球轴承 RNA4844 实体滚针轴承