
| 圆柱滚子推力轴承, 轴承 / 圆柱滚子和保持架止推组件 | ||||||||||||
| 公差 , 参见文字 | ||||||||||||
| 推荐配合 | ||||||||||||
| 轴和轴承座公差 | ||||||||||||
|
|
||||||||||||
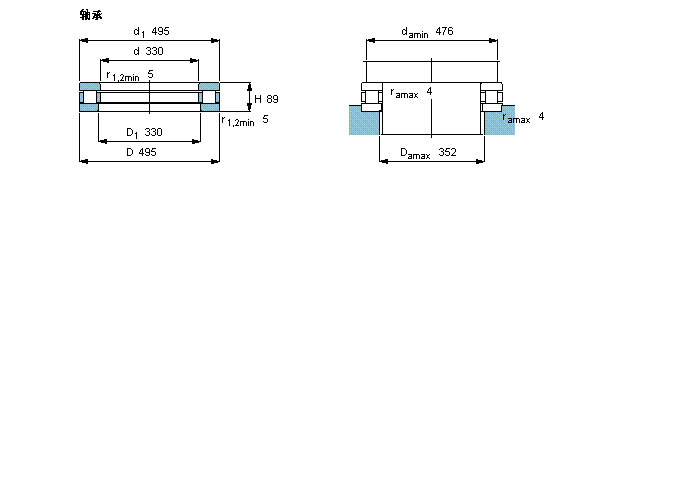
| 主要数据尺寸 | 基本负荷额定值 | 疲劳负荷限值 | 最小负荷系数 | 额定速度 | 体积 | 型号 | ||||||
| 动态 | 静态 | 参照速度 | 限制速度 | 轴承 | 圆柱滚子和保持架止推组件 | |||||||
| d | D | H | C | C0 | Pu | A | ||||||
|
|
||||||||||||
| mm | kN | kN | - | r/min | kg | - | ||||||
|
|
||||||||||||
| 330 | 495 | 89 | 2240 | 12000 | 865 | 1,2 | 300 | 600 | 66,0 | BGSB 358345 | - | |
我公司特价供应以下型号产品: 7414BGAM 角接触球轴承 7208BEM 角接触球轴承 BL216zz 满球型球轴承 ZSL192306 圆柱滚子轴承 62/32ZZ 深沟球轴承 QJ207 角接触球轴承 81234M 圆柱滚子推力轴承 3478/3420-B 带法兰单列 NJ204E 圆柱滚子轴承