
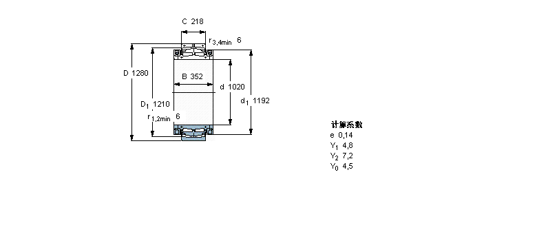
| 球面滚子轴承, 剖分式 | |||||||||
| 公差 , 参见文字 | |||||||||
| 径向内部游隙 , 参见文字 | |||||||||
| 推荐配合, 参见文字 | |||||||||
| 轴和轴承座公差 | |||||||||
|
|
|||||||||
| 主要数据尺寸 | 基本负荷额定值 | 疲劳负荷限值 | 体积 | 型号 | |||||
| 动态 | 静态 | ||||||||
| d | D | B | C | C | C0 | Pu | |||
|
|
|||||||||
| mm | kN | kN | kg | - | |||||
|
|
|||||||||
| 1020 | 1280 | 352 | 218 | 5980 | 19600 | 1180 | 950 | BS2-8001 | |
我公司特价供应以下型号产品: 3214A 角接触球轴承 22213E 调心滚子轴承 23232-E1-K-TVPB 调心滚子轴承 SNL3152 剖分立式轴承座 7318CDT 角接触球轴承 2097 推力深沟球轴承 24040BSK30.MB 调心滚子轴承 7314DB 角接触球轴承 E2.6310-2Z/C3 深沟球轴承