
| 球面滚子轴承, 剖分式 | |||||||||
| 公差 , 参见文字 | |||||||||
| 径向内部游隙 , 参见文字 | |||||||||
| 推荐配合, 参见文字 | |||||||||
| 轴和轴承座公差 | |||||||||
|
|
|||||||||
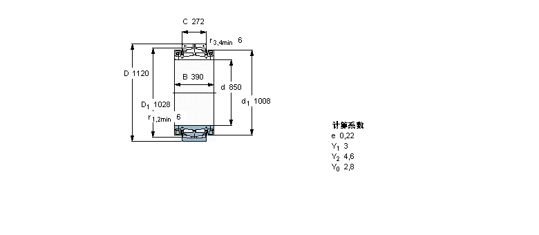
| 主要数据尺寸 | 基本负荷额定值 | 疲劳负荷限值 | 体积 | 型号 | |||||
| 动态 | 静态 | ||||||||
| d | D | B | C | C | C0 | Pu | |||
|
|
|||||||||
| mm | kN | kN | kg | - | |||||
|
|
|||||||||
| 850 | 1120 | 390 | 272 | 7360 | 20800 | 1220 | 830 | BS2B 243124 | |
我公司特价供应以下型号产品: 239/530CA/W33 球面滚子轴承 16100/HR11TN 聚合物球轴承 EGB0610-E40 衬套 M348449/M348410 单列圆锥滚子轴承 NNU4921K 圆柱滚子轴承 NNU4922BK/W33 圆柱滚子轴承 SD3138SG 标准型立式带座轴承箱 51314 推力球轴承 3214A 角接触球轴承