
| 球面滚子轴承, 剖分式 | |||||||||
| 公差 , 参见文字 | |||||||||
| 径向内部游隙 , 参见文字 | |||||||||
| 推荐配合, 参见文字 | |||||||||
| 轴和轴承座公差 | |||||||||
|
|
|||||||||
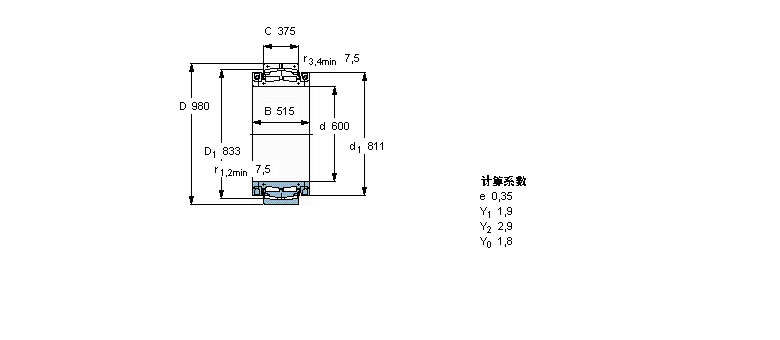
| 主要数据尺寸 | 基本负荷额定值 | 疲劳负荷限值 | 体积 | 型号 | |||||
| 动态 | 静态 | ||||||||
| d | D | B | C | C | C0 | Pu | |||
|
|
|||||||||
| mm | kN | kN | kg | - | |||||
|
|
|||||||||
| 600 | 980 | 515 | 375 | 10400 | 21600 | 1320 | 1350 | BS2B 243266 | |
我公司特价供应以下型号产品: RAE12-NPP-FA106 外球面球轴承 NJ2304 圆柱滚子轴承 HK3220 滚针轴承 6201 深沟球轴承 NNCL4928CV 圆柱滚子轴承 30208CR 圆锥滚子轴承 6312-2RZ 深沟球轴承 NUP330E.M1 圆柱滚子轴承 AS140180 推力滚子轴承