
| 球面滚子轴承, 剖分式 | |||||||||
| 公差 , 参见文字 | |||||||||
| 径向内部游隙 , 参见文字 | |||||||||
| 推荐配合, 参见文字 | |||||||||
| 轴和轴承座公差 | |||||||||
|
|
|||||||||
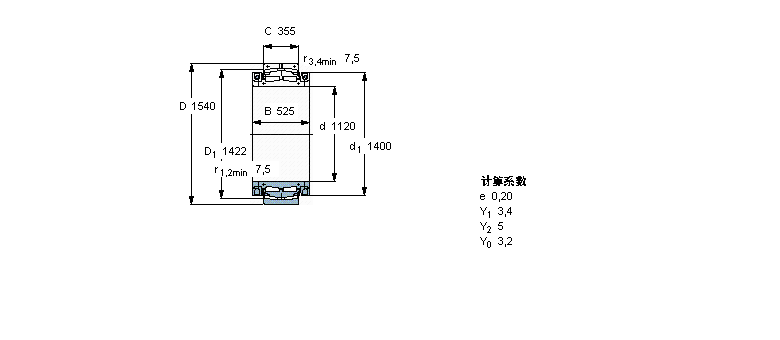
| 主要数据尺寸 | 基本负荷额定值 | 疲劳负荷限值 | 体积 | 型号 | |||||
| 动态 | 静态 | ||||||||
| d | D | B | C | C | C0 | Pu | |||
|
|
|||||||||
| mm | kN | kN | kg | - | |||||
|
|
|||||||||
| 1120 | 1540 | 525 | 355 | 13300 | 39000 | 2120 | 2950 | BS2B 243487 A | |
我公司特价供应以下型号产品: 7318CDT 角接触球轴承 2097 推力深沟球轴承 24040BSK30.MB 调心滚子轴承 7314DB 角接触球轴承 E2.6310-2Z/C3 深沟球轴承 SYNT100LTS 滚子轴承立式轴承座单元 CSED045 薄截面轴承 51328 推力球轴承 23252CAK+H2352 调心滚子轴承