
| 角接触推力球轴承 for screw drives, single direction | |||||||||||
| 公差, inner rings, outer rings, see also text | |||||||||||
| Preload, see specific bearing, see also text | |||||||||||
| Shaft fits, housing fits | |||||||||||
| 轴和轴承座公差 | |||||||||||
|
|
|||||||||||
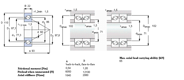
| 主要数据尺寸 | 基本负荷额定值 | 疲劳负荷限值 | 可达到的速度 | 体积 | 型号 | ||||||
| 动态 | 静态 | 当润滑与 | SKF | SNFA | |||||||
| 油脂 | 滴油润滑 | ||||||||||
| d | D | H | C | C0 | Pu | ||||||
|
|
|||||||||||
| mm | kN | kN | r/min | kg | - | ||||||
|
|
|||||||||||
| 60 | 110 | 22 | 69,5 | 216 | 8 | 5000 | 6000 | 0,95 | BSA 212 CG | BS 260 7P62U | |
我公司特价供应以下型号产品: 7200C/DB 角接触球轴承 NJ2314ECML 圆柱滚子轴承 PCJ55 轴承座单元 51308 推力球轴承 NJ2316R+HJ2316R 圆柱滚子轴承 61906 深沟球轴承 B71934C.T 角接触球轴承 1217-TVH 自调心球轴承 6914ZZ 深沟球轴承