
| 圆锥滚子推力轴承, 单向 | ||||||||||
| 公差 , 参见文字 | ||||||||||
| 推荐配合 | ||||||||||
| 轴和轴承座公差 | ||||||||||
|
|
||||||||||
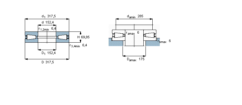
| 主要数据尺寸 | 基本负荷额定值 | 疲劳负荷限值 | 最小负荷系数 | 体积 | 型号 | |||||
| 动态 | 静态 | |||||||||
| d | D | d1 | H | C | C0 | Pu | A | |||
|
|
||||||||||
| mm | kN | kN | - | kg | - | |||||
|
|
||||||||||
| 152,4 | 317,5 | 317,5 | 69,85 | 1470 | 6400 | 450 | 3,3 | 30,0 | K-T 611 | |
我公司特价供应以下型号产品: 30348 圆锥滚子轴承 NU2309ECML 圆柱滚子轴承 61920-RZ 深沟球轴承 6007-2Z 深沟球轴承 NJ206+HJ207 圆柱滚子轴承 RMEY90 轴承座单元 47T886246 四列圆锥滚子轴承 331465BG 圆锥滚子轴承 B22 推力深沟球轴承