
| 带锁紧销的KMT精密锁紧定螺母 | ||||||||||
|
|
||||||||||
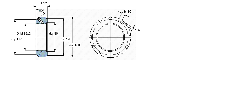
| 螺纹尺寸 | 尺寸 | 轴向负荷 | 体积 | 型号 | 平头螺钉 | |||||
| 承载能力 | 锁定螺母 | 适宜的板手 | 尺寸 | 推荐的紧固扭矩 | ||||||
| d3 | B | G | 静态 | |||||||
|
|
||||||||||
| - | mm | - | kN | kg | - | - | - | Nm | ||
|
|
||||||||||
| 95 | 120 | 32 | M 95x2 | 710 | 1,25 | KMT 19 | HN 18-20 | M 10 | 35 | |
我公司特价供应以下型号产品: RNAFW203224 滚针轴承 NNU4176K30M 圆柱滚子轴承 RAY40 轴承座单元 PWM105120120 FW轴套 NU2212E 圆柱滚子轴承 23060CC/W33 球面滚子轴承 6311-2RZ 深沟球轴承 239/530EW33 球面滚子轴承 22238CCK/W33 球面滚子轴承