
| MB(L)锁定垫圈 | ||||||
|
|
||||||
| 尺寸 | 体积 | 型号 | ||||
| 锁紧垫圈 | 适宜的锁定螺母 | |||||
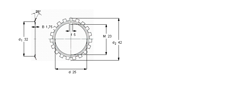
| d | d2 | B | ||||
|
|
||||||
| mm | kg | - | ||||
|
|
||||||
| 25 | 42 | 1,75 | 0,006 | MB 5 C | KM 5 | |
我公司特价供应以下型号产品: IR40x48x40 滚针轴承 239/1320K 调心滚子轴承 5218ANR 角接触球轴承 TLAM1210 冲压滚针轴承 7238CDF 角接触球轴承 7038AC/DF 角接触球轴承 4T-332/32 圆锥滚子轴承 NUP304ECM 圆柱滚子轴承 5214E-2Z 角接触球轴承