
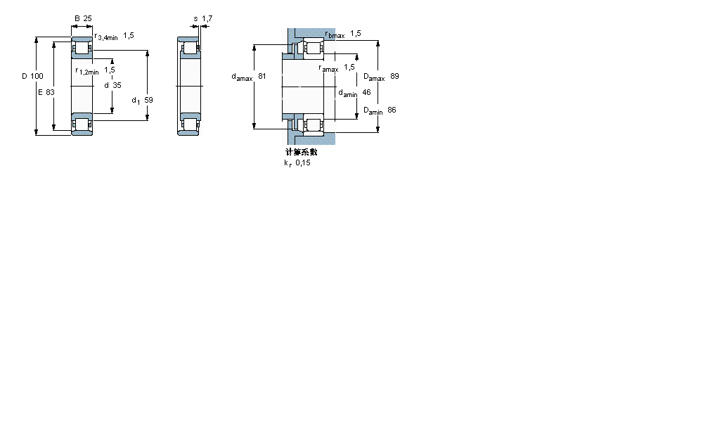
| 圆柱滚子轴承, 单列, N 设计 | ||||||||||||
| 公差 , 参见文字 | ||||||||||||
| 径向内部间隙, 圆柱型内孔 , 圆锥型内孔, 无密封件 , 参见文字 | ||||||||||||
| 推荐配合 | ||||||||||||
| 轴和轴承座公差 | ||||||||||||
|
|
||||||||||||
| 主要数据尺寸 | 基本负荷额定值 | 疲劳负荷限值 | 额定速度 | 体积 | 型号 | 适宜的斜挡圈 | ||||||
| 动态 | 静态 | 参照速度 | 限制速度 | 型号 | ||||||||
| d | D | B | C | C0 | Pu | |||||||
|
|
||||||||||||
| mm | kN | kN | r/min | kg | - | - | ||||||
|
|
||||||||||||
| 35 | 100 | 25 | 76,5 | 69,5 | 9 | 8000 | 9500 | 1,05 | N 407 | - | ||
我公司特价供应以下型号产品: 292/850E.MB 推力滚子轴承 1305K.TV.C3 调心球轴承 23032-E1A-K-M+AH3032 调心滚子轴承 61906-2RS1 深沟球轴承 7009C/DT 角接触球轴承 7315AC/DF 角接触球轴承 20224-K-MB-C3 鼓形滚子轴承 AOH3060 退卸套 2210 调心球轴承