
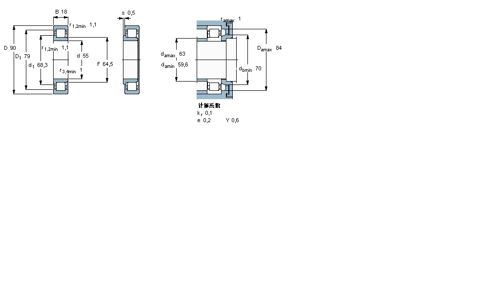
| 圆柱滚子轴承, 单列, NJ 设计 | ||||||||||||
| 公差 , 参见文字 | ||||||||||||
| 径向内部间隙, 圆柱型内孔 , 圆锥型内孔, 无密封件 , 参见文字 | ||||||||||||
| 推荐配合 | ||||||||||||
| 轴和轴承座公差 | ||||||||||||
|
|
||||||||||||
| 主要数据尺寸 | 基本负荷额定值 | 疲劳负荷限值 | 额定速度 | 体积 | 型号 | 适宜的斜挡圈 | ||||||
| 动态 | 静态 | 参照速度 | 限制速度 | 型号 | ||||||||
| d | D | B | C | C0 | Pu | |||||||
|
|
||||||||||||
| mm | kN | kN | r/min | kg | - | - | ||||||
|
|
||||||||||||
| 55 | 90 | 18 | 57,2 | 69,5 | 6,3 | 8000 | 8500 | 0,42 | NJ 1011 ECP | - | ||
我公司特价供应以下型号产品: 6313-2RSR 深沟球轴承 LR17X20X30.5 其它 61902 深沟球轴承 NU236R 圆柱滚子轴承 NCF3008CV 圆柱滚子轴承 2222K 调心球轴承 XU080430 交叉滚子轴承 N218-E-TVP2 圆柱滚子轴承 6319NR 深沟球轴承