
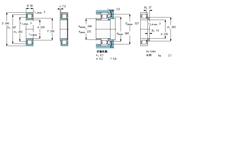
| 圆柱滚子轴承, 单列, NJ 设计 | ||||||||||||
| 公差 , 参见文字 | ||||||||||||
| 径向内部间隙, 圆柱型内孔 , 圆锥型内孔, 无密封件 , 参见文字 | ||||||||||||
| 推荐配合 | ||||||||||||
| 轴和轴承座公差 | ||||||||||||
|
|
||||||||||||
| 主要数据尺寸 | 基本负荷额定值 | 疲劳负荷限值 | 额定速度 | 体积 | 型号 | 适宜的斜挡圈 | ||||||
| 动态 | 静态 | 参照速度 | 限制速度 | 型号 | ||||||||
| d | D | B | C | C0 | Pu | |||||||
|
|
||||||||||||
| mm | kN | kN | r/min | kg | - | - | ||||||
|
|
||||||||||||
| 220 | 340 | 56 | 495 | 735 | 73,5 | 2200 | 3200 | 19,0 | NJ 1044 MP | HJ 1044 | ||
我公司特价供应以下型号产品: 51196 推力球轴承 23026RH 球面滚子轴承 AH2238 推卸套 234424-M-SP 推力角接触球轴承 NJ407-M1+HJ407 圆柱滚子轴承 22338-K-MB+H2338 调心滚子轴承 SB8513574 关节轴承 7219CDT 角接触球轴承 UKF315;H2315X 带座外球面球轴承