
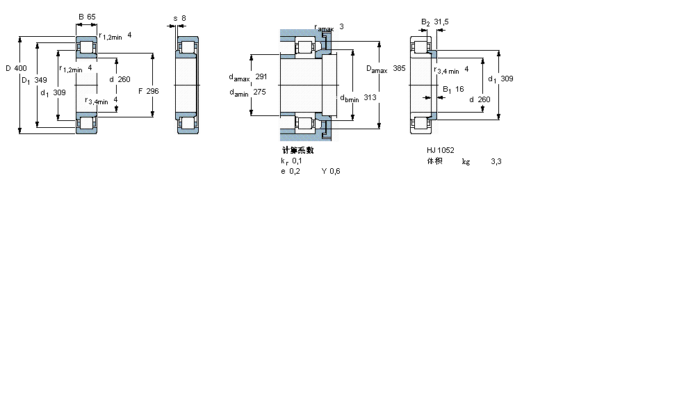
| 圆柱滚子轴承, 单列, NJ 设计 | ||||||||||||
| 公差 , 参见文字 | ||||||||||||
| 径向内部间隙, 圆柱型内孔 , 圆锥型内孔, 无密封件 , 参见文字 | ||||||||||||
| 推荐配合 | ||||||||||||
| 轴和轴承座公差 | ||||||||||||
|
|
||||||||||||
| 主要数据尺寸 | 基本负荷额定值 | 疲劳负荷限值 | 额定速度 | 体积 | 型号 | 适宜的斜挡圈 | ||||||
| 动态 | 静态 | 参照速度 | 限制速度 | 型号 | ||||||||
| d | D | B | C | C0 | Pu | |||||||
|
|
||||||||||||
| mm | kN | kN | r/min | kg | - | - | ||||||
|
|
||||||||||||
| 260 | 400 | 65 | 627 | 965 | 96,5 | 1800 | 2800 | 30,0 | NJ 1052 MP | HJ 1052 | ||
我公司特价供应以下型号产品: 7928A5DF 角接触球轴承 7226B.X 角接触球轴承 SIL15C 免维护杆端 32332 圆锥滚子轴承 6207-RS 深沟球轴承 5211A-2Z 角接触球轴承 7315-B-TVP 角接触球轴承 NA49/22U 滚针轴承 DL60 推力深沟球轴承