
| 圆柱滚子轴承, 单列, NJ 设计 | ||||||||||||
| 公差 , 参见文字 | ||||||||||||
| 径向内部间隙, 圆柱型内孔 , 圆锥型内孔, 无密封件 , 参见文字 | ||||||||||||
| 推荐配合 | ||||||||||||
| 轴和轴承座公差 | ||||||||||||
|
|
||||||||||||
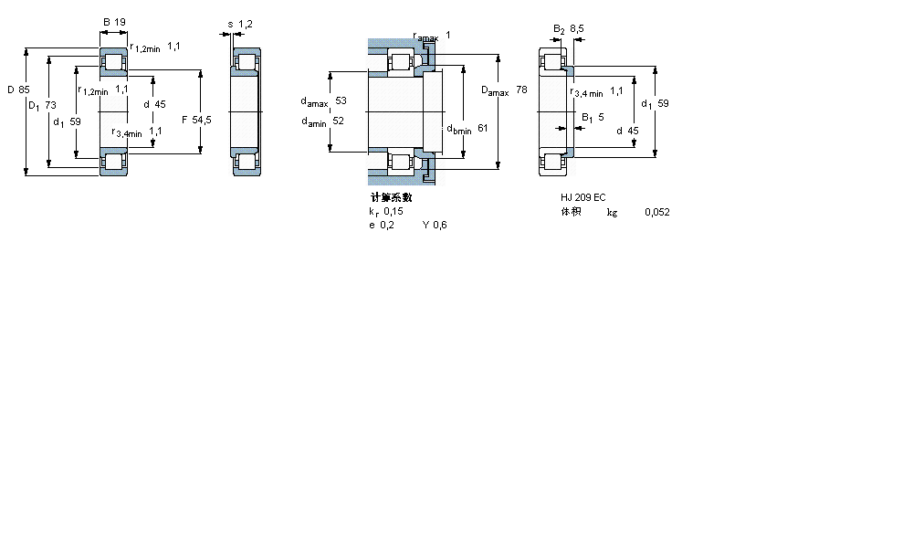
| 主要数据尺寸 | 基本负荷额定值 | 疲劳负荷限值 | 额定速度 | 体积 | 型号 | 适宜的斜挡圈 | ||||||
| 动态 | 静态 | 参照速度 | 限制速度 | 型号 | ||||||||
| d | D | B | C | C0 | Pu | * - SKF Explorer 轴承 | ||||||
|
|
||||||||||||
| mm | kN | kN | r/min | kg | - | - | ||||||
|
|
||||||||||||
| 45 | 85 | 19 | 69,5 | 64 | 8,15 | 9000 | 9500 | 0,49 | NJ 209 ECP * | HJ 209 EC | ||
我公司特价供应以下型号产品: 293/530E.MB 推力滚子轴承 6305Z 深沟球轴承 ET-33013 圆锥滚子轴承 7021AC 角接触球轴承 29320-E1 推力调心滚子轴承 6336 深沟球轴承 230/850BK 调心滚子轴承 6208 深沟球轴承 NUP322-E-TVP2 圆柱滚子轴承