
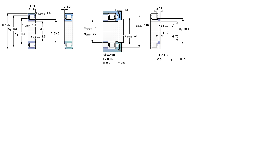
| 圆柱滚子轴承, 单列, NJ 设计 | ||||||||||||
| 公差 , 参见文字 | ||||||||||||
| 径向内部间隙, 圆柱型内孔 , 圆锥型内孔, 无密封件 , 参见文字 | ||||||||||||
| 推荐配合 | ||||||||||||
| 轴和轴承座公差 | ||||||||||||
|
|
||||||||||||
| 主要数据尺寸 | 基本负荷额定值 | 疲劳负荷限值 | 额定速度 | 体积 | 型号 | 适宜的斜挡圈 | ||||||
| 动态 | 静态 | 参照速度 | 限制速度 | 型号 | ||||||||
| d | D | B | C | C0 | Pu | * - SKF Explorer 轴承 | ||||||
|
|
||||||||||||
| mm | kN | kN | r/min | kg | - | - | ||||||
|
|
||||||||||||
| 70 | 125 | 24 | 137 | 137 | 18 | 6000 | 6300 | 1,25 | NJ 214 ECM * | HJ 214 EC | ||
我公司特价供应以下型号产品: 2×71972ACGMB 角接触球轴承 7332AC 角接触球轴承 NUP304-E-TVP2 圆柱滚子轴承 K14x20x12 滚针轴承 61932 深沟球轴承 NJ2217 圆柱滚子轴承 HCB7228-E-T-P4S 主轴轴承 353150A 圆锥滚子推力轴承 29296 球面滚子推力轴承