
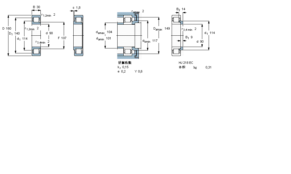
| 圆柱滚子轴承, 单列, NJ 设计 | ||||||||||||
| 公差 , 参见文字 | ||||||||||||
| 径向内部间隙, 圆柱型内孔 , 圆锥型内孔, 无密封件 , 参见文字 | ||||||||||||
| 推荐配合 | ||||||||||||
| 轴和轴承座公差 | ||||||||||||
|
|
||||||||||||
| 主要数据尺寸 | 基本负荷额定值 | 疲劳负荷限值 | 额定速度 | 体积 | 型号 | 适宜的斜挡圈 | ||||||
| 动态 | 静态 | 参照速度 | 限制速度 | 型号 | ||||||||
| d | D | B | C | C0 | Pu | * - SKF Explorer 轴承 | ||||||
|
|
||||||||||||
| mm | kN | kN | r/min | kg | - | - | ||||||
|
|
||||||||||||
| 90 | 160 | 30 | 208 | 220 | 27 | 4500 | 5000 | 2,40 | NJ 218 ECP * | HJ 218 EC | ||
我公司特价供应以下型号产品: H238148/H238110 单列圆锥滚子轴承 NK75/25 滚针轴承 NJ430 圆柱滚子轴承 7017ADB 角接触球轴承 23220RHW33 调心滚子轴承 HJ264 圆柱滚子轴承 UKFC207;H2307X 外球面球轴承 MF-1612 冲压外圈滚针轴承 6014ZZ 深沟球轴承