
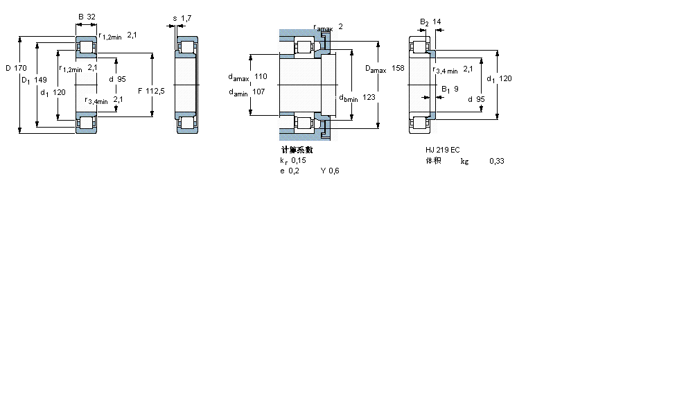
| 圆柱滚子轴承, 单列, NJ 设计 | ||||||||||||
| 公差 , 参见文字 | ||||||||||||
| 径向内部间隙, 圆柱型内孔 , 圆锥型内孔, 无密封件 , 参见文字 | ||||||||||||
| 推荐配合 | ||||||||||||
| 轴和轴承座公差 | ||||||||||||
|
|
||||||||||||
| 主要数据尺寸 | 基本负荷额定值 | 疲劳负荷限值 | 额定速度 | 体积 | 型号 | 适宜的斜挡圈 | ||||||
| 动态 | 静态 | 参照速度 | 限制速度 | 型号 | ||||||||
| d | D | B | C | C0 | Pu | * - SKF Explorer 轴承 | ||||||
|
|
||||||||||||
| mm | kN | kN | r/min | kg | - | - | ||||||
|
|
||||||||||||
| 95 | 170 | 32 | 255 | 265 | 32,5 | 4300 | 4800 | 2,90 | NJ 219 ECJ * | HJ 219 EC | ||
我公司特价供应以下型号产品: 29492 推力滚子轴承 331925 圆锥滚子轴承 6379/6320 圆锥滚子轴承 23268RK+H3268 球面滚子轴承 CSXA045 薄截面轴承 4405 推力深沟球轴承 24088-B-MB 调心滚子轴承 EGB1420-E40 衬套 6309-2RS1TN9/HC5C3WT 深沟球轴承