
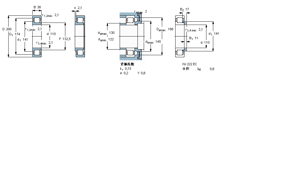
| 圆柱滚子轴承, 单列, NJ 设计 | ||||||||||||
| 公差 , 参见文字 | ||||||||||||
| 径向内部间隙, 圆柱型内孔 , 圆锥型内孔, 无密封件 , 参见文字 | ||||||||||||
| 推荐配合 | ||||||||||||
| 轴和轴承座公差 | ||||||||||||
|
|
||||||||||||
| 主要数据尺寸 | 基本负荷额定值 | 疲劳负荷限值 | 额定速度 | 体积 | 型号 | 适宜的斜挡圈 | ||||||
| 动态 | 静态 | 参照速度 | 限制速度 | 型号 | ||||||||
| d | D | B | C | C0 | Pu | * - SKF Explorer 轴承 | ||||||
|
|
||||||||||||
| mm | kN | kN | r/min | kg | - | - | ||||||
|
|
||||||||||||
| 110 | 200 | 38 | 335 | 365 | 42,5 | 3600 | 4000 | 5,70 | NJ 222 ECM * | HJ 222 EC | ||
我公司特价供应以下型号产品: RASE45-FA125 直立式轴承座单元 B7011C.T.P4S.UL 角接触球轴承 RNU1006 圆柱滚子轴承 32930/32930 圆锥滚子公制0000系列 ZKLN2052-2RS-2AP 推力角接触球轴承 6319ZZS 深沟球轴承 7024C/DB 角接触球轴承 1230M 调心球轴承 K81226-TV 推力圆柱滚子和保持架组件