
| 圆柱滚子轴承, 单列, NJ 设计 | ||||||||||||
| 公差 , 参见文字 | ||||||||||||
| 径向内部间隙, 圆柱型内孔 , 圆锥型内孔, 无密封件 , 参见文字 | ||||||||||||
| 推荐配合 | ||||||||||||
| 轴和轴承座公差 | ||||||||||||
|
|
||||||||||||
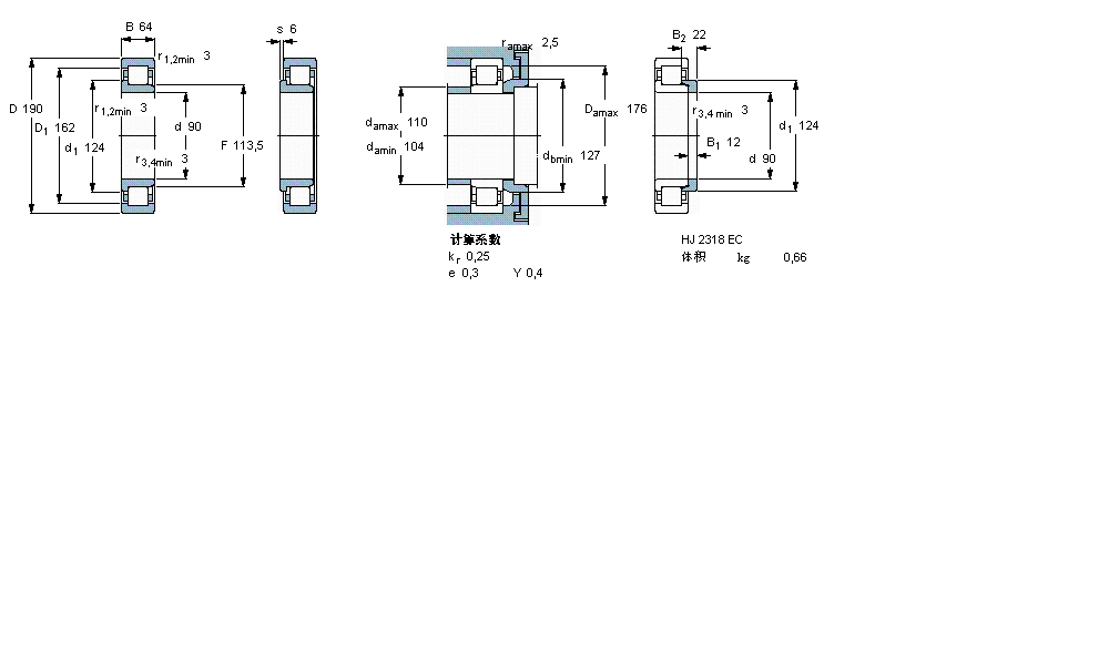
| 主要数据尺寸 | 基本负荷额定值 | 疲劳负荷限值 | 额定速度 | 体积 | 型号 | 适宜的斜挡圈 | ||||||
| 动态 | 静态 | 参照速度 | 限制速度 | 型号 | ||||||||
| d | D | B | C | C0 | Pu | * - SKF Explorer 轴承 | ||||||
|
|
||||||||||||
| mm | kN | kN | r/min | kg | - | - | ||||||
|
|
||||||||||||
| 90 | 190 | 64 | 500 | 540 | 65,5 | 3800 | 6700 | 8,80 | NJ 2318 ECML * | HJ 2318 EC | ||
我公司特价供应以下型号产品: LRTZ172214 滚针轴承内圈 5578R/35 圆锥滚子轴承 LFR5201-12-2Z 外径带修形的滚轮 7013CDB 角接触球轴承 71906CD/P4A 角接触球轴承 7034AC 角接触球轴承 CRH26VB 英制螺栓型滚轮滚针 22248BK.MB 调心滚子轴承 N311-E-TVP2 圆柱滚子轴承