
| 圆柱滚子轴承, 单列, NJ 设计 | ||||||||||||
| 公差 , 参见文字 | ||||||||||||
| 径向内部间隙, 圆柱型内孔 , 圆锥型内孔, 无密封件 , 参见文字 | ||||||||||||
| 推荐配合 | ||||||||||||
| 轴和轴承座公差 | ||||||||||||
|
|
||||||||||||
| 主要数据尺寸 | 基本负荷额定值 | 疲劳负荷限值 | 额定速度 | 体积 | 型号 | 适宜的斜挡圈 | ||||||
| 动态 | 静态 | 参照速度 | 限制速度 | 型号 | ||||||||
| d | D | B | C | C0 | Pu | * - SKF Explorer 轴承 | ||||||
|
|
||||||||||||
| mm | kN | kN | r/min | kg | - | - | ||||||
|
|
||||||||||||
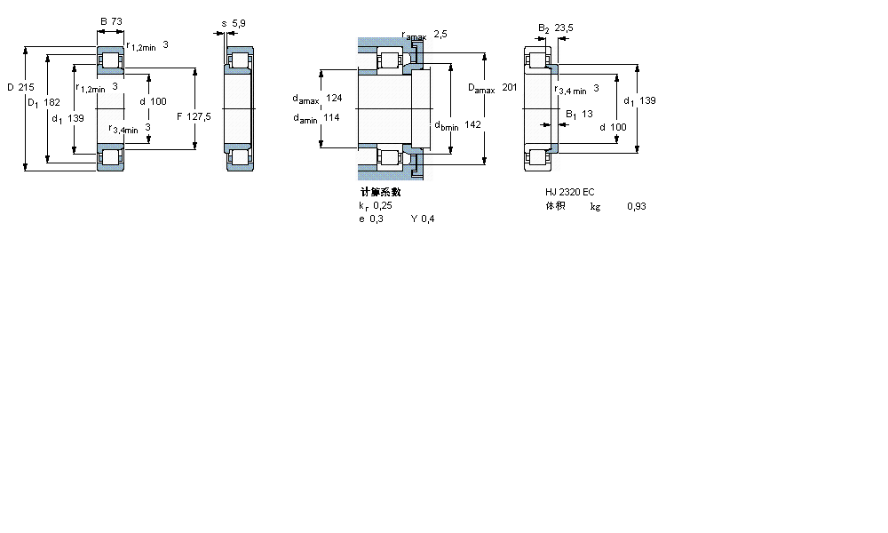
| 100 | 215 | 73 | 670 | 735 | 85 | 3200 | 6000 | 13,2 | NJ 2320 ECML * | HJ 2320 EC | ||
我公司特价供应以下型号产品: 33213/33213 圆锥滚子公制0000系列 HR30305J 圆锥滚子轴承 23234CCK/W33H2334 调心滚子轴承 ZGB140X155X150 柱形滑动衬套 7038CD/P4A 角接触球轴承 ZKLFA1050-2Z 角接触球轴承单元 313450B 圆柱滚子轴承 GE25-KRR-B 外球面球轴承 21311RHK+AHX311 球面滚子轴承