
| 圆柱滚子轴承, 单列, NJ 设计 | ||||||||||||
| 公差 , 参见文字 | ||||||||||||
| 径向内部间隙, 圆柱型内孔 , 圆锥型内孔, 无密封件 , 参见文字 | ||||||||||||
| 推荐配合 | ||||||||||||
| 轴和轴承座公差 | ||||||||||||
|
|
||||||||||||
| 主要数据尺寸 | 基本负荷额定值 | 疲劳负荷限值 | 额定速度 | 体积 | 型号 | 适宜的斜挡圈 | ||||||
| 动态 | 静态 | 参照速度 | 限制速度 | 型号 | ||||||||
| d | D | B | C | C0 | Pu | * - SKF Explorer 轴承 | ||||||
|
|
||||||||||||
| mm | kN | kN | r/min | kg | - | - | ||||||
|
|
||||||||||||
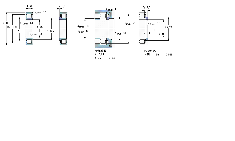
| 35 | 80 | 21 | 75 | 63 | 8,15 | 9500 | 11000 | 0,59 | NJ 307 ECM * | HJ 307 EC | ||
我公司特价供应以下型号产品: HCB7200-C-T-P4S 主轴轴承 NU209 圆柱滚子轴承 7334ADB 角接触球轴承 EGBZ1608-E40 衬套 B7013C.T 角接触球轴承 4306ATN9 深沟球轴承 1329 英制圆锥滚子轴承 EGB0606-E40 衬套 1307K+H307X 带紧定套调心球轴承