
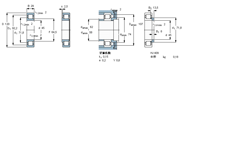
| 圆柱滚子轴承, 单列, NJ 设计 | ||||||||||||
| 公差 , 参见文字 | ||||||||||||
| 径向内部间隙, 圆柱型内孔 , 圆锥型内孔, 无密封件 , 参见文字 | ||||||||||||
| 推荐配合 | ||||||||||||
| 轴和轴承座公差 | ||||||||||||
|
|
||||||||||||
| 主要数据尺寸 | 基本负荷额定值 | 疲劳负荷限值 | 额定速度 | 体积 | 型号 | 适宜的斜挡圈 | ||||||
| 动态 | 静态 | 参照速度 | 限制速度 | 型号 | ||||||||
| d | D | B | C | C0 | Pu | |||||||
|
|
||||||||||||
| mm | kN | kN | r/min | kg | - | - | ||||||
|
|
||||||||||||
| 45 | 120 | 29 | 106 | 102 | 13,4 | 6700 | 7500 | 1,70 | NJ 409 | HJ 409 | ||
我公司特价供应以下型号产品: K80×86×20 滚针轴承 63142RS 深沟球轴承 16060-M 深沟球轴承 7017A 角接触球轴承 7224C 角接触球轴承 218-2Z 深沟球轴承 TLAM1416 冲压滚针轴承 5216 双列角接触球轴承 NU2234R 圆柱滚子轴承