
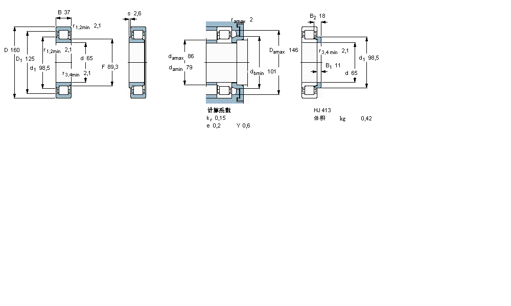
| 圆柱滚子轴承, 单列, NJ 设计 | ||||||||||||
| 公差 , 参见文字 | ||||||||||||
| 径向内部间隙, 圆柱型内孔 , 圆锥型内孔, 无密封件 , 参见文字 | ||||||||||||
| 推荐配合 | ||||||||||||
| 轴和轴承座公差 | ||||||||||||
|
|
||||||||||||
| 主要数据尺寸 | 基本负荷额定值 | 疲劳负荷限值 | 额定速度 | 体积 | 型号 | 适宜的斜挡圈 | ||||||
| 动态 | 静态 | 参照速度 | 限制速度 | 型号 | ||||||||
| d | D | B | C | C0 | Pu | |||||||
|
|
||||||||||||
| mm | kN | kN | r/min | kg | - | - | ||||||
|
|
||||||||||||
| 65 | 160 | 37 | 183 | 190 | 24 | 4800 | 5600 | 3,95 | NJ 413 M | HJ 413 | ||
我公司特价供应以下型号产品: 6313V 深沟球轴承 6832ZZS 深沟球轴承 B71916-C-2RSD-T-P4S 主轴轴承 6919N 深沟球轴承 413136E1 双列圆锥滚子轴承 230/600-B-K-MB+AH30/600A 调心滚子轴承 KRV52PPA 凸轮从动件 2×71972ACGMB 角接触球轴承 7332AC 角接触球轴承