
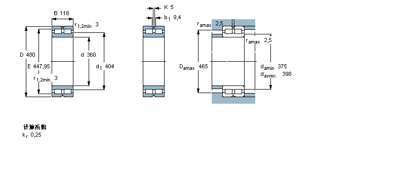
| 圆柱滚子轴承, 双列满装滚子, 无密封件, 双方向轴向负荷的挡边 | ||||||||||
| 公差 , 参见文字 | ||||||||||
| 径向内部游隙 , 参见文字 | ||||||||||
| 推荐配合 | ||||||||||
| 轴和轴承座公差 | ||||||||||
|
|
||||||||||
| 主要数据尺寸 | 基本负荷额定值 | 疲劳负荷限值 | 额定速度 | 体积 | 型号 | |||||
| 动态 | 静态 | 参照速度 | 限制速度 | |||||||
| d | D | B | C | C0 | Pu | |||||
|
|
||||||||||
| mm | kN | kN | r/min | kg | - | |||||
|
|
||||||||||
| 360 | 480 | 118 | 1830 | 4500 | 405 | 530 | 670 | 62,1 | NNC 4972 CV | |
我公司特价供应以下型号产品: 638-RZ 深沟球轴承 7312-B-JP 角接触球轴承 PWKR80-2RS 螺栓型滚轮 BA2220Z 冲压滚针轴承 N309ECP 圆柱滚子轴承 S7014DB/P7 角接触球轴承 71924C 角接触球轴承 21308CK;H308X 调心滚子轴承 HJ2310E 紧定套