
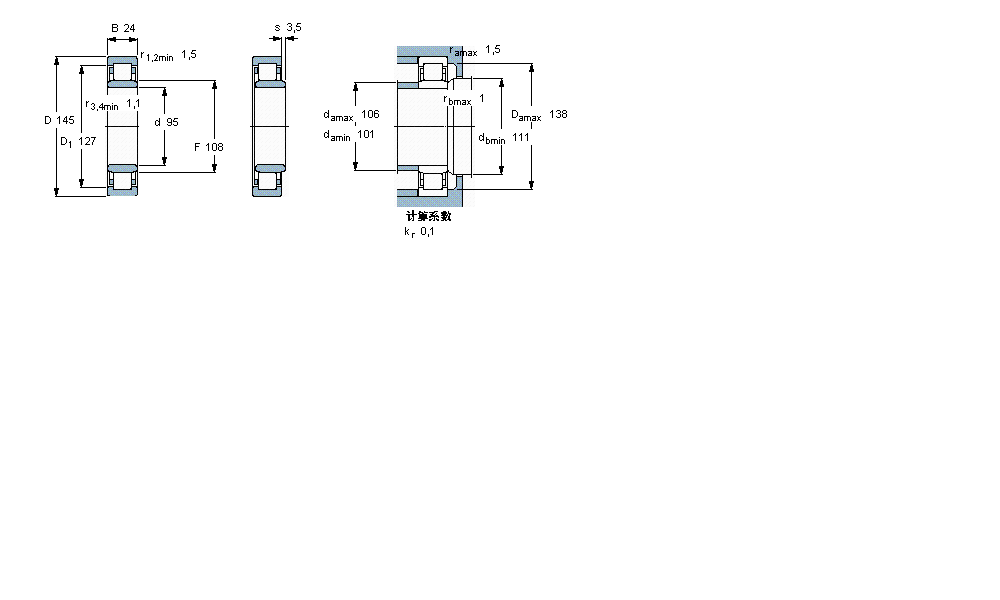
| 圆柱滚子轴承, 单列, NU 设计 | ||||||||||||
| 公差 , 参见文字 | ||||||||||||
| 径向内部间隙, 圆柱型内孔 , 圆锥型内孔, 无密封件 , 参见文字 | ||||||||||||
| 推荐配合 | ||||||||||||
| 轴和轴承座公差 | ||||||||||||
|
|
||||||||||||
| 主要数据尺寸 | 基本负荷额定值 | 疲劳负荷限值 | 额定速度 | 体积 | 型号 | 适宜的斜挡圈 | ||||||
| 动态 | 静态 | 参照速度 | 限制速度 | 型号 | ||||||||
| d | D | B | C | C0 | Pu | |||||||
|
|
||||||||||||
| mm | kN | kN | r/min | kg | - | - | ||||||
|
|
||||||||||||
| 95 | 145 | 24 | 84,2 | 110 | 13,2 | 5300 | 8000 | 1,40 | NU 1019 ML | - | ||
我公司特价供应以下型号产品: 7315ADF 角接触球轴承 81207TN 圆柱滚子推力轴承 29492 推力滚子轴承 331925 圆锥滚子轴承 6379/6320 圆锥滚子轴承 23268RK+H3268 球面滚子轴承 CSXA045 薄截面轴承 4405 推力深沟球轴承 24088-B-MB 调心滚子轴承