
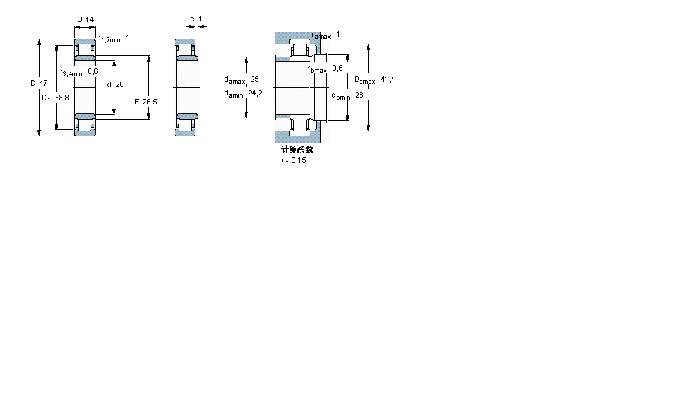
| 圆柱滚子轴承, 单列, NU 设计 | ||||||||||||
| 公差 , 参见文字 | ||||||||||||
| 径向内部间隙, 圆柱型内孔 , 圆锥型内孔, 无密封件 , 参见文字 | ||||||||||||
| 推荐配合 | ||||||||||||
| 轴和轴承座公差 | ||||||||||||
|
|
||||||||||||
| 主要数据尺寸 | 基本负荷额定值 | 疲劳负荷限值 | 额定速度 | 体积 | 型号 | 适宜的斜挡圈 | ||||||
| 动态 | 静态 | 参照速度 | 限制速度 | 型号 | ||||||||
| d | D | B | C | C0 | Pu | |||||||
|
|
||||||||||||
| mm | kN | kN | r/min | kg | - | - | ||||||
|
|
||||||||||||
| 20 | 47 | 14 | 25,1 | 22 | 2,75 | 16000 | 30000 | 0,11 | NU 204 ECML | - | ||
我公司特价供应以下型号产品: 7036CD 角接触球轴承 7234B/DB 角接触球轴承 51332 推力球轴承 SX011860 交叉滚子轴承 BT2B332604/HA1 圆锥滚子轴承 6211-2NKE 深沟球轴承 16014 深沟球轴承 31313 圆锥滚子轴承 23218-E1A-K-M 调心滚子轴承