
| 圆柱滚子轴承, 单列, NU 设计 | ||||||||||||
| 公差 , 参见文字 | ||||||||||||
| 径向内部间隙, 圆柱型内孔 , 圆锥型内孔, 无密封件 , 参见文字 | ||||||||||||
| 推荐配合 | ||||||||||||
| 轴和轴承座公差 | ||||||||||||
|
|
||||||||||||
| 主要数据尺寸 | 基本负荷额定值 | 疲劳负荷限值 | 额定速度 | 体积 | 型号 | 适宜的斜挡圈 | ||||||
| 动态 | 静态 | 参照速度 | 限制速度 | 型号 | ||||||||
| d | D | B | C | C0 | Pu | |||||||
|
|
||||||||||||
| mm | kN | kN | r/min | kg | - | - | ||||||
|
|
||||||||||||
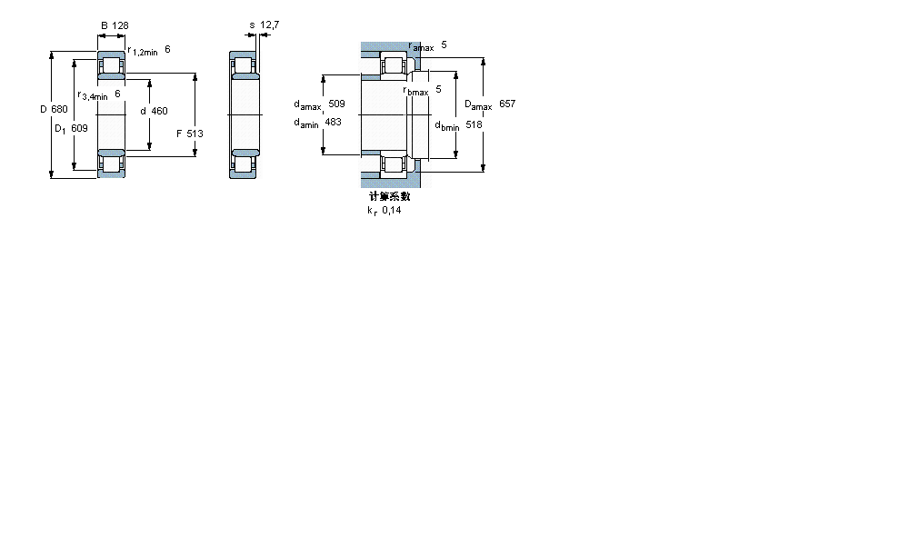
| 460 | 680 | 128 | 2810 | 5400 | 415 | 800 | 1200 | 165 | NU 2092 ECMA | - | ||
我公司特价供应以下型号产品: GE25UK 关节轴承 22264CCK/W33+OH3164H 球面滚子轴承 CF5BUU 螺栓型滚轮滚针轴承 NUB18/1000MA/HB1 圆柱滚子轴承 7322 角接触球轴承 7228ADT 角接触球轴承 RTW613 推力圆柱滚子轴承 53324MP 推力球轴承 30302A+T2FB015 圆锥滚子轴承