
| 圆柱滚子轴承, 单列, NU 设计 | ||||||||||||
| 公差 , 参见文字 | ||||||||||||
| 径向内部间隙, 圆柱型内孔 , 圆锥型内孔, 无密封件 , 参见文字 | ||||||||||||
| 推荐配合 | ||||||||||||
| 轴和轴承座公差 | ||||||||||||
|
|
||||||||||||
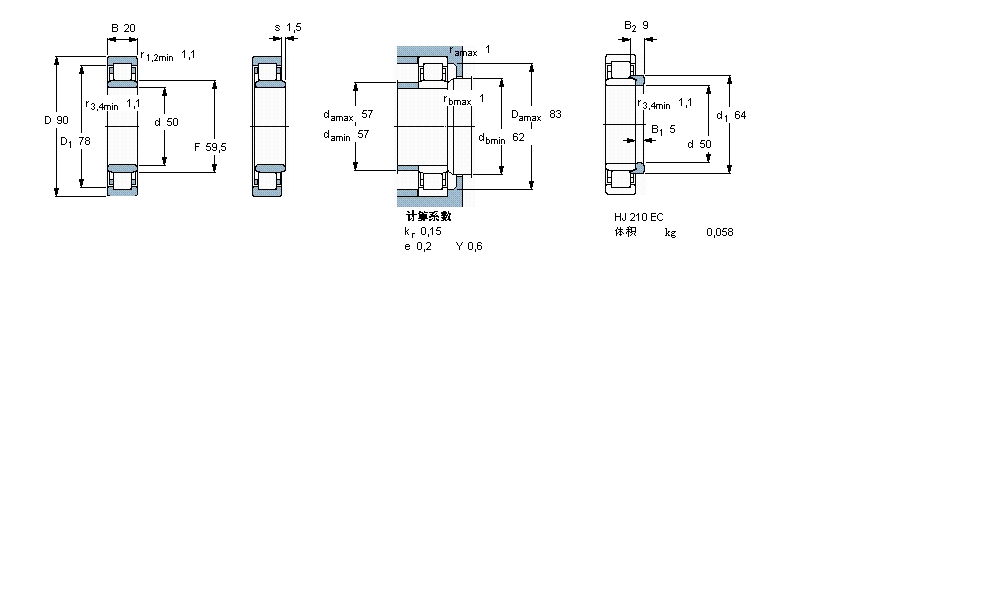
| 主要数据尺寸 | 基本负荷额定值 | 疲劳负荷限值 | 额定速度 | 体积 | 型号 | 适宜的斜挡圈 | ||||||
| 动态 | 静态 | 参照速度 | 限制速度 | 型号 | ||||||||
| d | D | B | C | C0 | Pu | * - SKF Explorer 轴承 | ||||||
|
|
||||||||||||
| mm | kN | kN | r/min | kg | - | - | ||||||
|
|
||||||||||||
| 50 | 90 | 20 | 73,5 | 69,5 | 8,8 | 8500 | 14000 | 0,57 | NU 210 ECML * | HJ 210 EC | ||
我公司特价供应以下型号产品: 482E/472 单列圆锥滚子轴承 7206BECBM 角接触球轴承 NA69/22UU 滚针轴承 7032CDT 角接触球轴承 475621 圆柱滚子推力轴承 2560X/2526X 单列圆锥滚子轴承 RS434823A 滚针轴承 432321 双列圆锥滚子轴承 32303A 圆锥滚子轴承