
| 圆柱滚子轴承, 单列, NU 设计 | ||||||||||||
| 公差 , 参见文字 | ||||||||||||
| 径向内部间隙, 圆柱型内孔 , 圆锥型内孔, 无密封件 , 参见文字 | ||||||||||||
| 推荐配合 | ||||||||||||
| 轴和轴承座公差 | ||||||||||||
|
|
||||||||||||
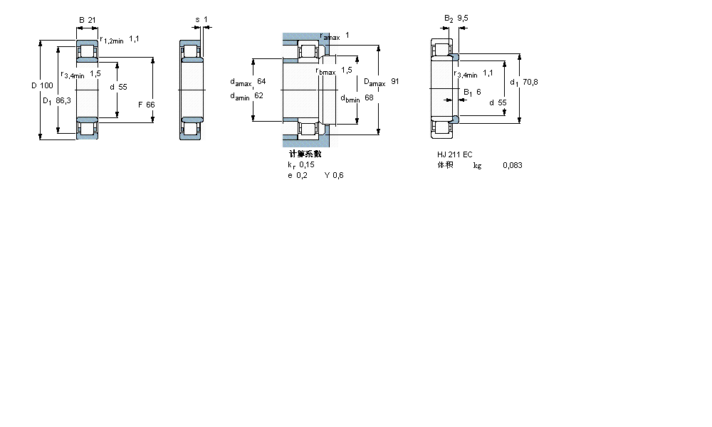
| 主要数据尺寸 | 基本负荷额定值 | 疲劳负荷限值 | 额定速度 | 体积 | 型号 | 适宜的斜挡圈 | ||||||
| 动态 | 静态 | 参照速度 | 限制速度 | 型号 | ||||||||
| d | D | B | C | C0 | Pu | * - SKF Explorer 轴承 | ||||||
|
|
||||||||||||
| mm | kN | kN | r/min | kg | - | - | ||||||
|
|
||||||||||||
| 55 | 100 | 21 | 96,5 | 95 | 12,2 | 7500 | 8000 | 0,72 | NU 211 ECM * | HJ 211 EC | ||
我公司特价供应以下型号产品: NU1048-M1 圆柱滚子轴承 6006ZZ 深沟球轴承 N220E.TVP2 圆柱滚子轴承 54415 推力球轴承 5207RS 角接触球轴承 HK0205-TV 开式冲压外圈滚针轴承 FSNL619TURU 剖分立式轴承座 32316J2 圆锥滚子轴承 09078/195 圆锥滚子轴承