
| 圆柱滚子轴承, 单列, NU 设计 | ||||||||||||
| 公差 , 参见文字 | ||||||||||||
| 径向内部间隙, 圆柱型内孔 , 圆锥型内孔, 无密封件 , 参见文字 | ||||||||||||
| 推荐配合 | ||||||||||||
| 轴和轴承座公差 | ||||||||||||
|
|
||||||||||||
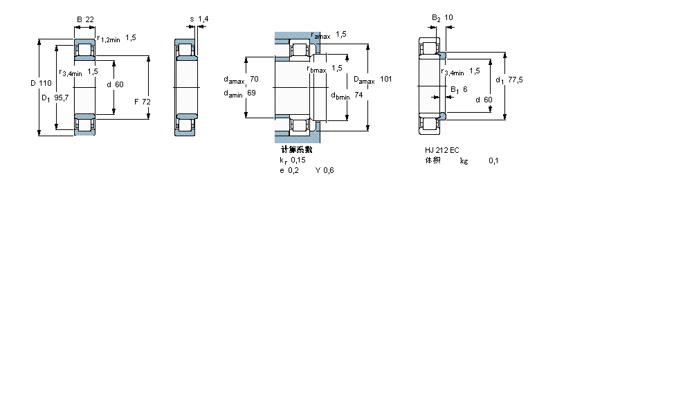
| 主要数据尺寸 | 基本负荷额定值 | 疲劳负荷限值 | 额定速度 | 体积 | 型号 | 适宜的斜挡圈 | ||||||
| 动态 | 静态 | 参照速度 | 限制速度 | 型号 | ||||||||
| d | D | B | C | C0 | Pu | * - SKF Explorer 轴承 | ||||||
|
|
||||||||||||
| mm | kN | kN | r/min | kg | - | - | ||||||
|
|
||||||||||||
| 60 | 110 | 22 | 108 | 102 | 13,4 | 6700 | 7500 | 0,83 | NU 212 ECJ * | HJ 212 EC | ||
我公司特价供应以下型号产品: 16001 深沟球轴承 GAKR10-PW 杆端轴承 23038CAE4 调心滚子轴承 960 推力深沟球轴承 6307N 深沟球轴承 528A/522 单列圆锥滚子轴承 30244-A 圆锥滚子轴承 23038-E1A-K-M+H3038 调心滚子轴承 7336B 角接触球轴承