
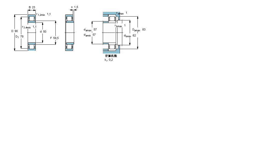
| 圆柱滚子轴承, 单列, NU 设计 | ||||||||||||
| 公差 , 参见文字 | ||||||||||||
| 径向内部间隙, 圆柱型内孔 , 圆锥型内孔, 无密封件 , 参见文字 | ||||||||||||
| 推荐配合 | ||||||||||||
| 轴和轴承座公差 | ||||||||||||
|
|
||||||||||||
| 主要数据尺寸 | 基本负荷额定值 | 疲劳负荷限值 | 额定速度 | 体积 | 型号 | 适宜的斜挡圈 | ||||||
| 动态 | 静态 | 参照速度 | 限制速度 | 型号 | ||||||||
| d | D | B | C | C0 | Pu | * - SKF Explorer 轴承 | ||||||
|
|
||||||||||||
| mm | kN | kN | r/min | kg | - | - | ||||||
|
|
||||||||||||
| 50 | 90 | 23 | 90 | 88 | 11,4 | 8500 | 9000 | 0,56 | NU 2210 ECP * | - | ||
我公司特价供应以下型号产品: 7209BEGBY 角接触球轴承 7208C 角接触球轴承 TRU8511850UU 双列圆柱滚子轴承 54407 推力球轴承 CF30-2VBR 螺栓型滚轮滚针轴承 NUP212 圆柱滚子轴承 61903-2RS 深沟球轴承 RCJTY25-N 轴承座单元 22356BKD1+H2356 调心滚子轴承