
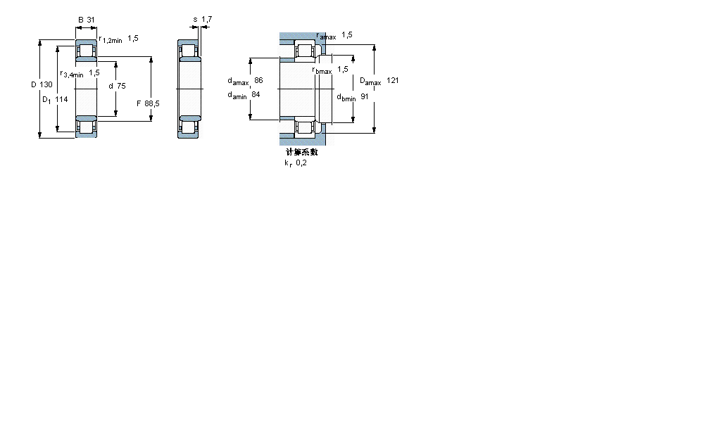
| 圆柱滚子轴承, 单列, NU 设计 | ||||||||||||
| 公差 , 参见文字 | ||||||||||||
| 径向内部间隙, 圆柱型内孔 , 圆锥型内孔, 无密封件 , 参见文字 | ||||||||||||
| 推荐配合 | ||||||||||||
| 轴和轴承座公差 | ||||||||||||
|
|
||||||||||||
| 主要数据尺寸 | 基本负荷额定值 | 疲劳负荷限值 | 额定速度 | 体积 | 型号 | 适宜的斜挡圈 | ||||||
| 动态 | 静态 | 参照速度 | 限制速度 | 型号 | ||||||||
| d | D | B | C | C0 | Pu | * - SKF Explorer 轴承 | ||||||
|
|
||||||||||||
| mm | kN | kN | r/min | kg | - | - | ||||||
|
|
||||||||||||
| 75 | 130 | 31 | 186 | 208 | 27 | 5600 | 9500 | 1,60 | NU 2215 ECML * | - | ||
我公司特价供应以下型号产品: 7214B/DB 角接触球轴承 626Z 深沟球轴承 GF100-DO 液压杆端轴承 NA4909 实体滚针轴承 2×7313BEGBM 角接触球轴承 24096EW33 球面滚子轴承 6004NR 深沟球轴承 25572/25520 单列圆锥滚子轴承 LRB566432 滚针轴承内圈