
| 圆柱滚子轴承, 单列, NU 设计 | ||||||||||||
| 公差 , 参见文字 | ||||||||||||
| 径向内部间隙, 圆柱型内孔 , 圆锥型内孔, 无密封件 , 参见文字 | ||||||||||||
| 推荐配合 | ||||||||||||
| 轴和轴承座公差 | ||||||||||||
|
|
||||||||||||
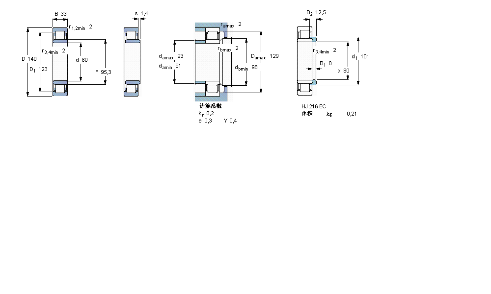
| 主要数据尺寸 | 基本负荷额定值 | 疲劳负荷限值 | 额定速度 | 体积 | 型号 | 适宜的斜挡圈 | ||||||
| 动态 | 静态 | 参照速度 | 限制速度 | 型号 | ||||||||
| d | D | B | C | C0 | Pu | * - SKF Explorer 轴承 | ||||||
|
|
||||||||||||
| mm | kN | kN | r/min | kg | - | - | ||||||
|
|
||||||||||||
| 80 | 140 | 33 | 212 | 245 | 31 | 5300 | 8500 | 2,20 | NU 2216 ECML * | HJ 216 EC | ||
我公司特价供应以下型号产品: TME45 轴承座单元 432240 双列圆锥滚子轴承 22238EW33 球面滚子轴承 1207 调心球轴承 82576/82950-B 带法兰单列 NJ320+HJ320 圆柱滚子轴承 AH24068 推卸套 FLWBC2.5-7ZA 微型非标深沟球轴承 NUP304E 圆柱滚子轴承