
| 圆柱滚子轴承, 单列, NU 设计 | ||||||||||||
| 公差 , 参见文字 | ||||||||||||
| 径向内部间隙, 圆柱型内孔 , 圆锥型内孔, 无密封件 , 参见文字 | ||||||||||||
| 推荐配合 | ||||||||||||
| 轴和轴承座公差 | ||||||||||||
| 
             | 
        
||||||||||||
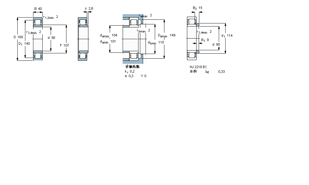
| 主要数据尺寸 | 基本负荷额定值 | 疲劳负荷限值 | 额定速度 | 体积 | 型号 | 适宜的斜挡圈 | ||||||
| 动态 | 静态 | 参照速度 | 限制速度 | 型号 | ||||||||
| d | D | B | C | C0 | Pu | * - SKF Explorer 轴承 | ||||||
| 
             | 
        
||||||||||||
| mm | kN | kN | r/min | kg | - | - | ||||||
| 
             | 
        
||||||||||||
| 90 | 160 | 40 | 280 | 315 | 39 | 4500 | 7500 | 3,15 | NU 2218 ECML * | HJ 2218 EC | ||
我公司特价供应以下型号产品: 6226ZZ 深沟球轴承 22311RHKW33 调心滚子轴承 88931/88126 单列圆锥滚子轴承 1317K+H317 调心球轴承 22340RHAK+AH2340 球面滚子轴承 6006NSE 深沟球轴承 T4CB120 圆锥滚子轴承 32044X/DF 圆锥滚子轴承 6315-2NK 深沟球轴承