
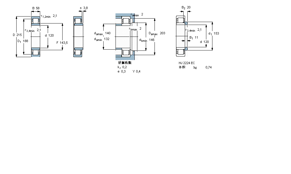
| 圆柱滚子轴承, 单列, NU 设计 | ||||||||||||
| 公差 , 参见文字 | ||||||||||||
| 径向内部间隙, 圆柱型内孔 , 圆锥型内孔, 无密封件 , 参见文字 | ||||||||||||
| 推荐配合 | ||||||||||||
| 轴和轴承座公差 | ||||||||||||
|
|
||||||||||||
| 主要数据尺寸 | 基本负荷额定值 | 疲劳负荷限值 | 额定速度 | 体积 | 型号 | 适宜的斜挡圈 | ||||||
| 动态 | 静态 | 参照速度 | 限制速度 | 型号 | ||||||||
| d | D | B | C | C0 | Pu | * - SKF Explorer 轴承 | ||||||
|
|
||||||||||||
| mm | kN | kN | r/min | kg | - | - | ||||||
|
|
||||||||||||
| 120 | 215 | 58 | 520 | 630 | 72 | 3400 | 3600 | 8,80 | NU 2224 ECJ * | HJ 2224 EC | ||
我公司特价供应以下型号产品: 23028AX 球面滚子轴承 231/530CAKE4 调心滚子轴承 42688/20 圆锥滚子轴承 23196CAK/W33 球面滚子轴承 NJ1007 圆柱滚子轴承 HCB7016-C-T-P4S 主轴轴承 S71917CD/P4A 角接触球轴承 NUP2207EC 圆柱滚子轴承 6208-2Z 深沟球轴承