
| 圆柱滚子轴承, 单列, NU 设计 | ||||||||||||
| 公差 , 参见文字 | ||||||||||||
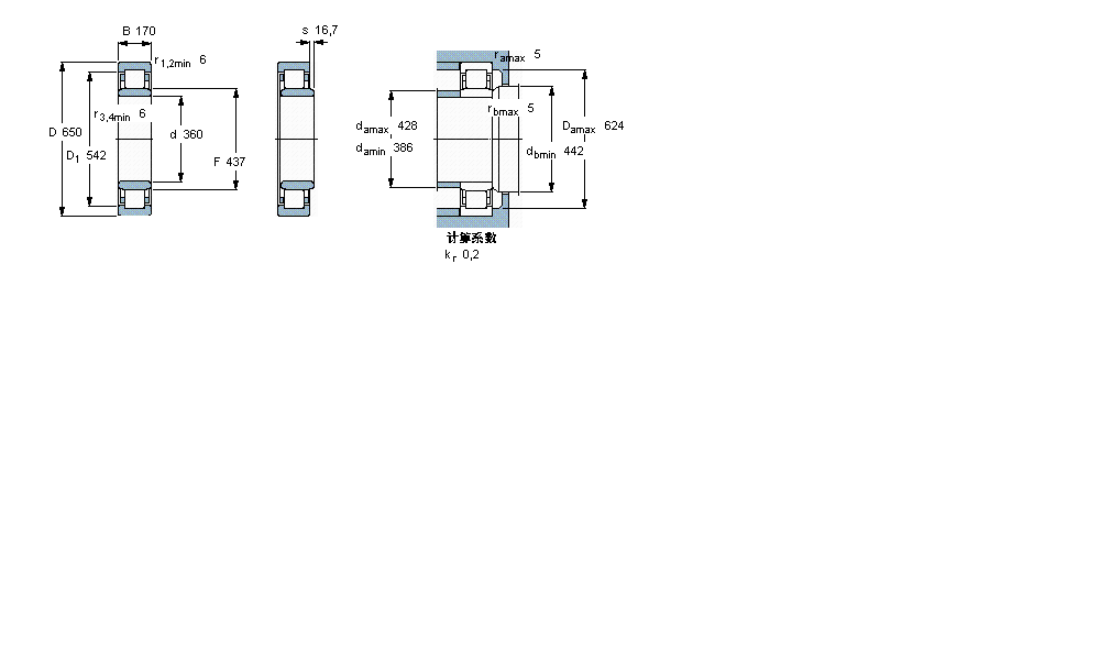
| 径向内部间隙, 圆柱型内孔 , 圆锥型内孔, 无密封件 , 参见文字 | ||||||||||||
| 推荐配合 | ||||||||||||
| 轴和轴承座公差 | ||||||||||||
|
|
||||||||||||
| 主要数据尺寸 | 基本负荷额定值 | 疲劳负荷限值 | 额定速度 | 体积 | 型号 | 适宜的斜挡圈 | ||||||
| 动态 | 静态 | 参照速度 | 限制速度 | 型号 | ||||||||
| d | D | B | C | C0 | Pu | |||||||
|
|
||||||||||||
| mm | kN | kN | r/min | kg | - | - | ||||||
|
|
||||||||||||
| 360 | 650 | 170 | 2920 | 4900 | 400 | 950 | 1400 | 250 | NU 2272 MA | - | ||
我公司特价供应以下型号产品: B71909-C-2RSD-T-P4S 主轴轴承 NU430E.M1 圆柱滚子轴承 TAF-739035 滚针轴承 22218-E1 调心滚子轴承 NUP310EG 圆柱滚子轴承 NJ316E.TVP2 圆柱滚子轴承 RTL27 推力圆柱滚子轴承 NU303ECP 圆柱滚子轴承 6212-2NSE 深沟球轴承