
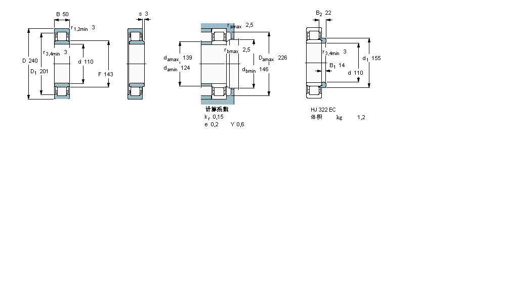
| 圆柱滚子轴承, 单列, NU 设计 | ||||||||||||
| 公差 , 参见文字 | ||||||||||||
| 径向内部间隙, 圆柱型内孔 , 圆锥型内孔, 无密封件 , 参见文字 | ||||||||||||
| 推荐配合 | ||||||||||||
| 轴和轴承座公差 | ||||||||||||
|
|
||||||||||||
| 主要数据尺寸 | 基本负荷额定值 | 疲劳负荷限值 | 额定速度 | 体积 | 型号 | 适宜的斜挡圈 | ||||||
| 动态 | 静态 | 参照速度 | 限制速度 | 型号 | ||||||||
| d | D | B | C | C0 | Pu | * - SKF Explorer 轴承 | ||||||
|
|
||||||||||||
| mm | kN | kN | r/min | kg | - | - | ||||||
|
|
||||||||||||
| 110 | 240 | 50 | 530 | 540 | 61 | 3000 | 3400 | 10,8 | NU 322 ECP * | HJ 322 EC | ||
我公司特价供应以下型号产品: 23038-E1A-K-M+H3038 调心滚子轴承 7336B 角接触球轴承 6008-2RZ 深沟球轴承 7603070TVP 推力角接触球轴承 7921CDT 角接触球轴承 22338CAE4 调心滚子轴承 T-E-48290D/48220/48220D 四列圆锥滚子轴承 TA2820Z 冲压滚针轴承 2319 自调心球轴承