
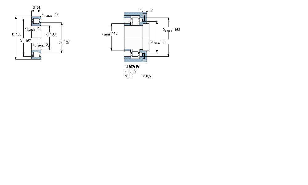
| 圆柱滚子轴承, 单列, NUP 设计 | ||||||||||||
| 公差 , 参见文字 | ||||||||||||
| 径向内部间隙, 圆柱型内孔 , 圆锥型内孔, 无密封件 , 参见文字 | ||||||||||||
| 推荐配合 | ||||||||||||
| 轴和轴承座公差 | ||||||||||||
|
|
||||||||||||
| 主要数据尺寸 | 基本负荷额定值 | 疲劳负荷限值 | 额定速度 | 体积 | 型号 | 适宜的斜挡圈 | ||||||
| 动态 | 静态 | 参照速度 | 限制速度 | 型号 | ||||||||
| d | D | B | C | C0 | Pu | * - SKF Explorer 轴承 | ||||||
|
|
||||||||||||
| mm | kN | kN | r/min | kg | - | - | ||||||
|
|
||||||||||||
| 100 | 180 | 34 | 285 | 305 | 36,5 | 4000 | 4500 | 3,60 | NUP 220 ECP * | - | ||
我公司特价供应以下型号产品: S71920CD/P4A 角接触球轴承 608 深沟球轴承 6804N 深沟球轴承 2209K 调心球轴承 609-Z 深沟球轴承 21314-E1-K+AH314G 调心滚子轴承 NK80/35A 滚针轴承 23138-E1-TVPB 调心滚子轴承 NUTR25A 带法兰圈支承滚子