
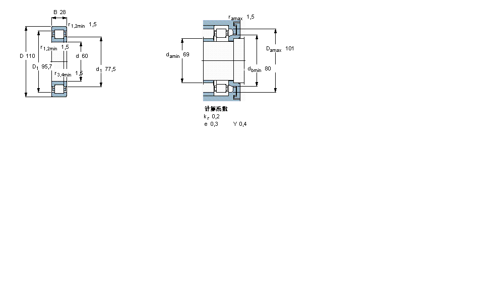
| 圆柱滚子轴承, 单列, NUP 设计 | ||||||||||||
| 公差 , 参见文字 | ||||||||||||
| 径向内部间隙, 圆柱型内孔 , 圆锥型内孔, 无密封件 , 参见文字 | ||||||||||||
| 推荐配合 | ||||||||||||
| 轴和轴承座公差 | ||||||||||||
|
|
||||||||||||
| 主要数据尺寸 | 基本负荷额定值 | 疲劳负荷限值 | 额定速度 | 体积 | 型号 | 适宜的斜挡圈 | ||||||
| 动态 | 静态 | 参照速度 | 限制速度 | 型号 | ||||||||
| d | D | B | C | C0 | Pu | * - SKF Explorer 轴承 | ||||||
|
|
||||||||||||
| mm | kN | kN | r/min | kg | - | - | ||||||
|
|
||||||||||||
| 60 | 110 | 28 | 146 | 153 | 20 | 6700 | 7500 | 1,15 | NUP 2212 ECM * | - | ||
我公司特价供应以下型号产品: 234718 推力球轴承 NU314-E-TVP2 圆柱滚子轴承 RNA4909 滚针轴承 CFES6 螺栓型滚轮滚针轴承 R10/13 滚针轴承 6002DU 深沟球轴承 B7244-E-T-P4S 主轴轴承 UCP322 带座外球面球轴承 61804-2RS 深沟球轴承