
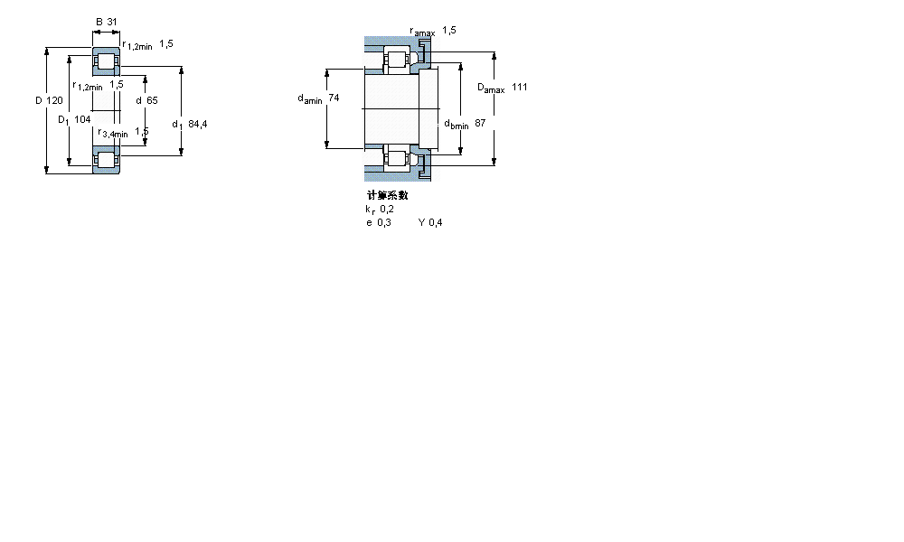
| 圆柱滚子轴承, 单列, NUP 设计 | ||||||||||||
| 公差 , 参见文字 | ||||||||||||
| 径向内部间隙, 圆柱型内孔 , 圆锥型内孔, 无密封件 , 参见文字 | ||||||||||||
| 推荐配合 | ||||||||||||
| 轴和轴承座公差 | ||||||||||||
|
|
||||||||||||
| 主要数据尺寸 | 基本负荷额定值 | 疲劳负荷限值 | 额定速度 | 体积 | 型号 | 适宜的斜挡圈 | ||||||
| 动态 | 静态 | 参照速度 | 限制速度 | 型号 | ||||||||
| d | D | B | C | C0 | Pu | * - SKF Explorer 轴承 | ||||||
|
|
||||||||||||
| mm | kN | kN | r/min | kg | - | - | ||||||
|
|
||||||||||||
| 65 | 120 | 31 | 170 | 180 | 24 | 6300 | 6700 | 1,50 | NUP 2213 ECP * | - | ||
我公司特价供应以下型号产品: HJ2318 紧定套 6026 深沟球轴承 VI160420-N 四点接触球轴承 81252 推力滚子轴承 HJ2310E 圆柱滚子轴承 23056R 球面滚子轴承 NP316 圆柱滚子轴承 NKXR30Z 组合式滚针轴承 6219-Z 深沟球轴承