
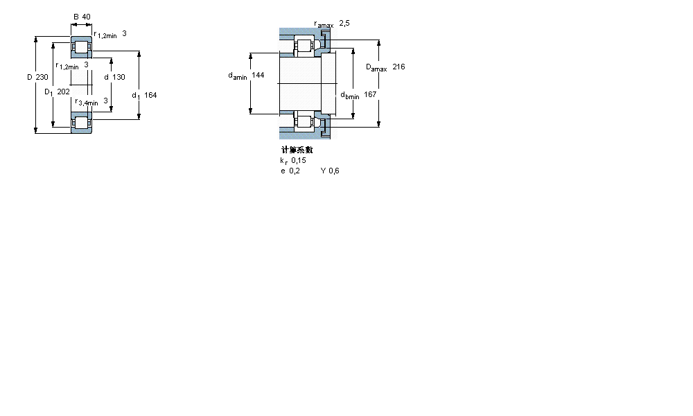
| 圆柱滚子轴承, 单列, NUP 设计 | ||||||||||||
| 公差 , 参见文字 | ||||||||||||
| 径向内部间隙, 圆柱型内孔 , 圆锥型内孔, 无密封件 , 参见文字 | ||||||||||||
| 推荐配合 | ||||||||||||
| 轴和轴承座公差 | ||||||||||||
|
|
||||||||||||
| 主要数据尺寸 | 基本负荷额定值 | 疲劳负荷限值 | 额定速度 | 体积 | 型号 | 适宜的斜挡圈 | ||||||
| 动态 | 静态 | 参照速度 | 限制速度 | 型号 | ||||||||
| d | D | B | C | C0 | Pu | * - SKF Explorer 轴承 | ||||||
|
|
||||||||||||
| mm | kN | kN | r/min | kg | - | - | ||||||
|
|
||||||||||||
| 130 | 230 | 40 | 415 | 455 | 51 | 3200 | 5300 | 7,00 | NUP 226 ECML * | - | ||
我公司特价供应以下型号产品: NU318ECML 圆柱滚子轴承 NU1011-E-M1 圆柱滚子轴承 QJ211 角接触球轴承 2319M 调心球轴承 331157A 圆锥滚子轴承 23944-S-K-MB+AH3944 调心滚子轴承 6205ETN9 深沟球轴承 61921 深沟球轴承 5200ALLU 双列角接触球轴承