
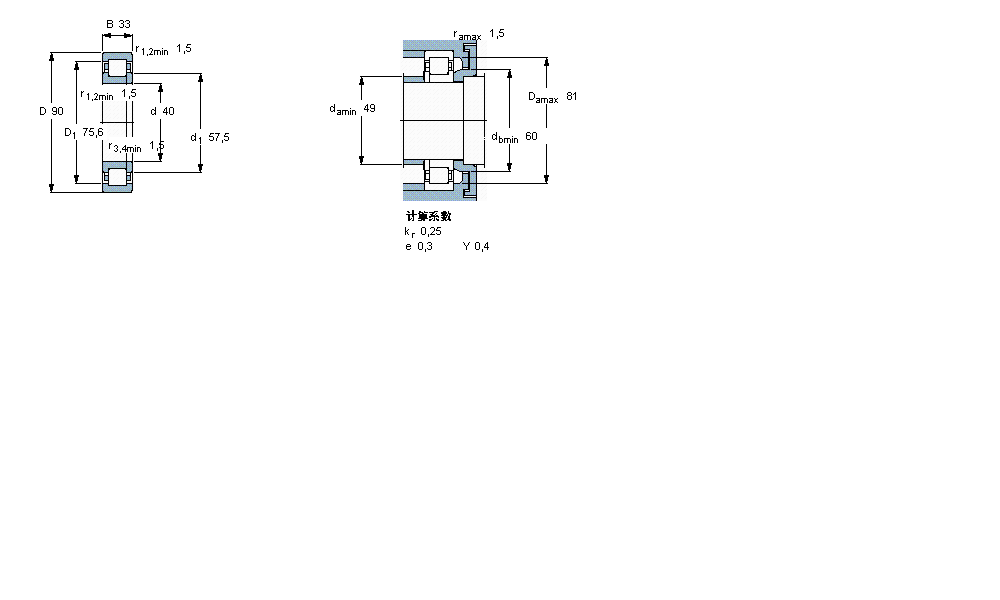
| 圆柱滚子轴承, 单列, NUP 设计 | ||||||||||||
| 公差 , 参见文字 | ||||||||||||
| 径向内部间隙, 圆柱型内孔 , 圆锥型内孔, 无密封件 , 参见文字 | ||||||||||||
| 推荐配合 | ||||||||||||
| 轴和轴承座公差 | ||||||||||||
|
|
||||||||||||
| 主要数据尺寸 | 基本负荷额定值 | 疲劳负荷限值 | 额定速度 | 体积 | 型号 | 适宜的斜挡圈 | ||||||
| 动态 | 静态 | 参照速度 | 限制速度 | 型号 | ||||||||
| d | D | B | C | C0 | Pu | * - SKF Explorer 轴承 | ||||||
|
|
||||||||||||
| mm | kN | kN | r/min | kg | - | - | ||||||
|
|
||||||||||||
| 40 | 90 | 33 | 129 | 120 | 15,3 | 8000 | 15000 | 0,98 | NUP 2308 ECML * | - | ||
我公司特价供应以下型号产品: GE20-HO-2RS 关节轴承 BAM3220 冲压滚针轴承 6016-2Z 深沟球轴承 71926ACD 角接触球轴承 B71940-C-T-P4S 主轴轴承 61820-2RS 深沟球轴承 54307U 推力球轴承 FT37 推力深沟球轴承 53430X 推力球轴承