
| 圆柱滚子轴承, 单列, NUP 设计 | ||||||||||||
| 公差 , 参见文字 | ||||||||||||
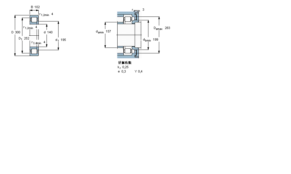
| 径向内部间隙, 圆柱型内孔 , 圆锥型内孔, 无密封件 , 参见文字 | ||||||||||||
| 推荐配合 | ||||||||||||
| 轴和轴承座公差 | ||||||||||||
| 
             | 
        
||||||||||||
| 主要数据尺寸 | 基本负荷额定值 | 疲劳负荷限值 | 额定速度 | 体积 | 型号 | 适宜的斜挡圈 | ||||||
| 动态 | 静态 | 参照速度 | 限制速度 | 型号 | ||||||||
| d | D | B | C | C0 | Pu | * - SKF Explorer 轴承 | ||||||
| 
             | 
        
||||||||||||
| mm | kN | kN | r/min | kg | - | - | ||||||
| 
             | 
        
||||||||||||
| 140 | 300 | 102 | 1200 | 1430 | 150 | 2400 | 3600 | 37,5 | NUP 2328 ECMA * | - | ||
我公司特价供应以下型号产品: NNU40/560M/W33 圆柱滚子轴承 62/22-2RZ 深沟球轴承 RA4Z 微型非标深沟球轴承 NKX15Z 组合式滚针轴承 B71940-C-T-P4S 主轴轴承 NNU4920 双列圆柱滚子轴承 NJ312ET+HJ312E 圆柱滚子轴承 NJ2232+HJ2232 圆柱滚子轴承 F-804415.ZL-K-C3 圆柱滚子轴承