
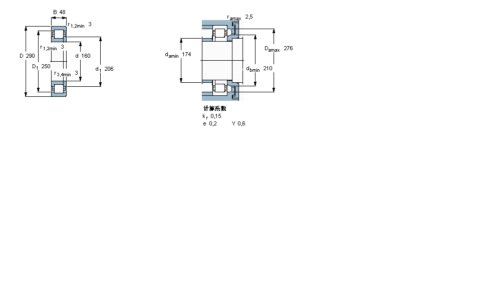
| 圆柱滚子轴承, 单列, NUP 设计 | ||||||||||||
| 公差 , 参见文字 | ||||||||||||
| 径向内部间隙, 圆柱型内孔 , 圆锥型内孔, 无密封件 , 参见文字 | ||||||||||||
| 推荐配合 | ||||||||||||
| 轴和轴承座公差 | ||||||||||||
|
|
||||||||||||
| 主要数据尺寸 | 基本负荷额定值 | 疲劳负荷限值 | 额定速度 | 体积 | 型号 | 适宜的斜挡圈 | ||||||
| 动态 | 静态 | 参照速度 | 限制速度 | 型号 | ||||||||
| d | D | B | C | C0 | Pu | * - SKF Explorer 轴承 | ||||||
|
|
||||||||||||
| mm | kN | kN | r/min | kg | - | - | ||||||
|
|
||||||||||||
| 160 | 290 | 48 | 585 | 680 | 72 | 2400 | 2600 | 14,5 | NUP 232 ECM * | - | ||
我公司特价供应以下型号产品: HF1816 冲压外圈滚柱离合器 607-RS 深沟球轴承 320/32-X 圆锥滚子轴承 NU1044-M1 圆柱滚子轴承 4310-B-TVH 深沟球轴承 6311NK 深沟球轴承 239/800CAKE4 调心滚子轴承 NU2088ECMA 圆柱滚子轴承 UCP308 带座外球面球轴承