
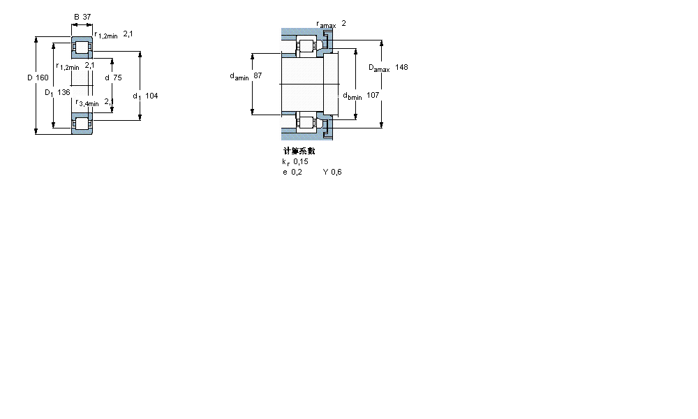
| 圆柱滚子轴承, 单列, NUP 设计 | ||||||||||||
| 公差 , 参见文字 | ||||||||||||
| 径向内部间隙, 圆柱型内孔 , 圆锥型内孔, 无密封件 , 参见文字 | ||||||||||||
| 推荐配合 | ||||||||||||
| 轴和轴承座公差 | ||||||||||||
|
|
||||||||||||
| 主要数据尺寸 | 基本负荷额定值 | 疲劳负荷限值 | 额定速度 | 体积 | 型号 | 适宜的斜挡圈 | ||||||
| 动态 | 静态 | 参照速度 | 限制速度 | 型号 | ||||||||
| d | D | B | C | C0 | Pu | * - SKF Explorer 轴承 | ||||||
|
|
||||||||||||
| mm | kN | kN | r/min | kg | - | - | ||||||
|
|
||||||||||||
| 75 | 160 | 37 | 280 | 265 | 33,5 | 4500 | 5300 | 3,45 | NUP 315 ECM * | - | ||
我公司特价供应以下型号产品: HR150KBE2701+L 双列圆锥滚子轴承 61920N 深沟球轴承 NP424 圆柱滚子轴承 22212-E1-K+H312 调心滚子轴承 E-4R16801 四列圆柱滚子轴承 51330 推力球轴承 RASEY2-7/16 直立式轴承座单元 K14×20×12 滚针轴承 SL185013 圆柱滚子轴承