
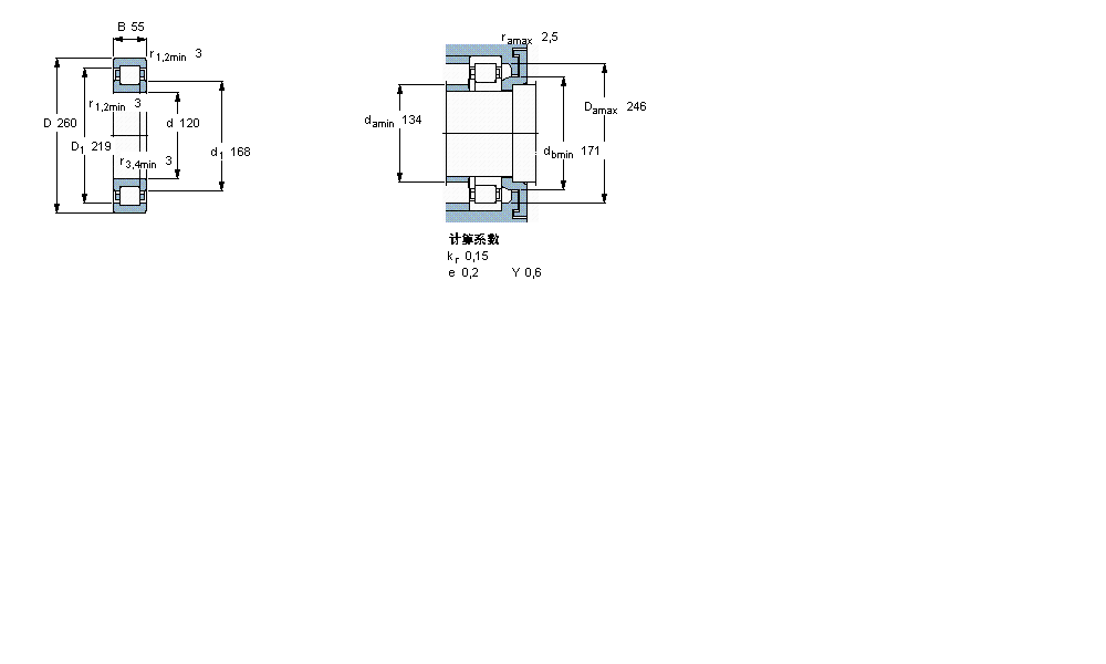
| 圆柱滚子轴承, 单列, NUP 设计 | ||||||||||||
| 公差 , 参见文字 | ||||||||||||
| 径向内部间隙, 圆柱型内孔 , 圆锥型内孔, 无密封件 , 参见文字 | ||||||||||||
| 推荐配合 | ||||||||||||
| 轴和轴承座公差 | ||||||||||||
|
|
||||||||||||
| 主要数据尺寸 | 基本负荷额定值 | 疲劳负荷限值 | 额定速度 | 体积 | 型号 | 适宜的斜挡圈 | ||||||
| 动态 | 静态 | 参照速度 | 限制速度 | 型号 | ||||||||
| d | D | B | C | C0 | Pu | * - SKF Explorer 轴承 | ||||||
|
|
||||||||||||
| mm | kN | kN | r/min | kg | - | - | ||||||
|
|
||||||||||||
| 120 | 260 | 55 | 610 | 620 | 69,5 | 2800 | 5000 | 13,7 | NUP 324 ECML * | - | ||
我公司特价供应以下型号产品: YAR220-2F Y-轴承 71922CDF 角接触球轴承 7011CDB 角接触球轴承 5208ZZ 角接触球轴承 23176EW33K 球面滚子轴承 53205+U205 推力深沟球轴承 32220A+T3FC100 圆锥滚子轴承 43312 英制圆锥滚子轴承 22216-E1-K 调心滚子轴承