
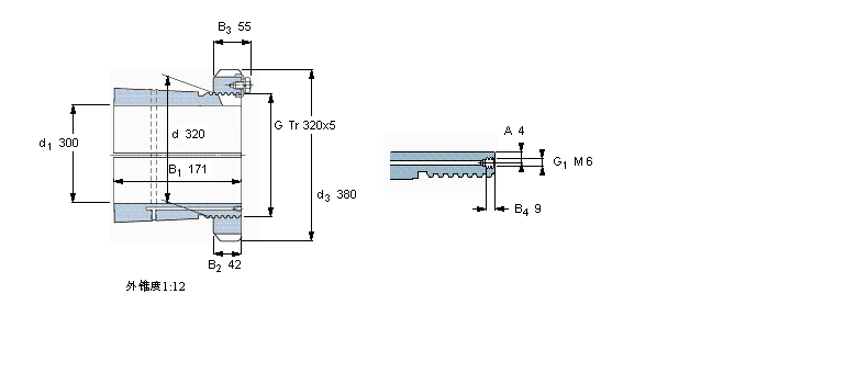
| 紧定套 | ||||||||||
|
|
||||||||||
| 尺寸 | 体积 | 型号 | ||||||||
| 紧定轴套带螺母 | 锁定螺母 | 锁定装置 | 适宜的液压 | |||||||
| d1 | d | d3 | B1 | G | 和锁紧装置 | 螺母 | ||||
|
|
||||||||||
| mm | kg | - | ||||||||
|
|
||||||||||
| 300 | 320 | 380 | 171 | Tr 320x5 | 22,0 | OH 3064 H | HM 3064 | MS 3068-64 | HMV 64 E | |
我公司特价供应以下型号产品: 23934 调心滚子轴承 6914LLB 深沟球轴承 30326 圆锥滚子轴承 HSS7018-C-T-P4S 主轴轴承 7214B/DB 角接触球轴承 7203B 角接触球轴承 7314BDF 角接触球轴承 FSNL513-611 剖分立式轴承座 22217EK 球面滚子轴承